자 주소문제를 해결해보도록 하자.
나는 지금 많은 데이터를 저장할 필요가 없다.
딱 4번만 저장하더라도, 그 4번을 어떤 주소에 저장해내는지를 파악해내는가가 관건이다.
그것을 추적할 수 있는 환경을 만든 후
오버플로우를 유도하고
거기서 생기는 문제를 풀어주면
첫 주소와 끝 주소를 확인할 수 있을듯 해 보인다.
---
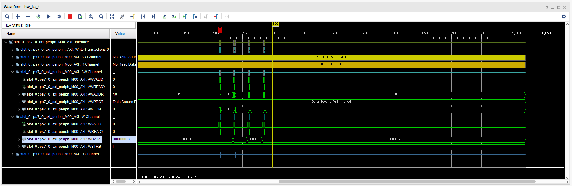
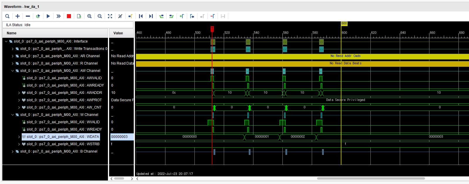
MEM_DEPTH = 4로 조정해서
WRITE를 4번했다.
0,1,2,3을 잘 저장한 것을 볼 수 있다.


그때 우리는 주소를 '10번지'와 '0c번지'에 번갈아 보내주고 있다.

왜 이렇게 하느냐? 하면
BRAM에 보내기 위하여 Data Register를 사용하기 때문이다.
RegisterMap을 보자.


BASEADDR + 0x08 : Address 초기화
BASEADDR + 0x0c : Data Register
---
BASEADDR 그리고 Data Register에 대해서 더 파악하자.
얘(=Memory I/F Ctrl Reg)를 찾아야 한다.

찾아보자.
지금 레지스터 16개가 사용되고 있는데
왜 4개에서 16개로 늘어난건지 이해를 못한듯하다.

아
지금 우리는 레지스터 4개만 쓰고 있다.

즉 설계모식도에 의하면 slv_reg3 = data register 이다.
이와 관련된 동작이 write 그리고 read에서 각각 이렇게 구현(implement)되어있다.


S_AXI_WDATA를 버스 슬라이싱해서 사용한다.


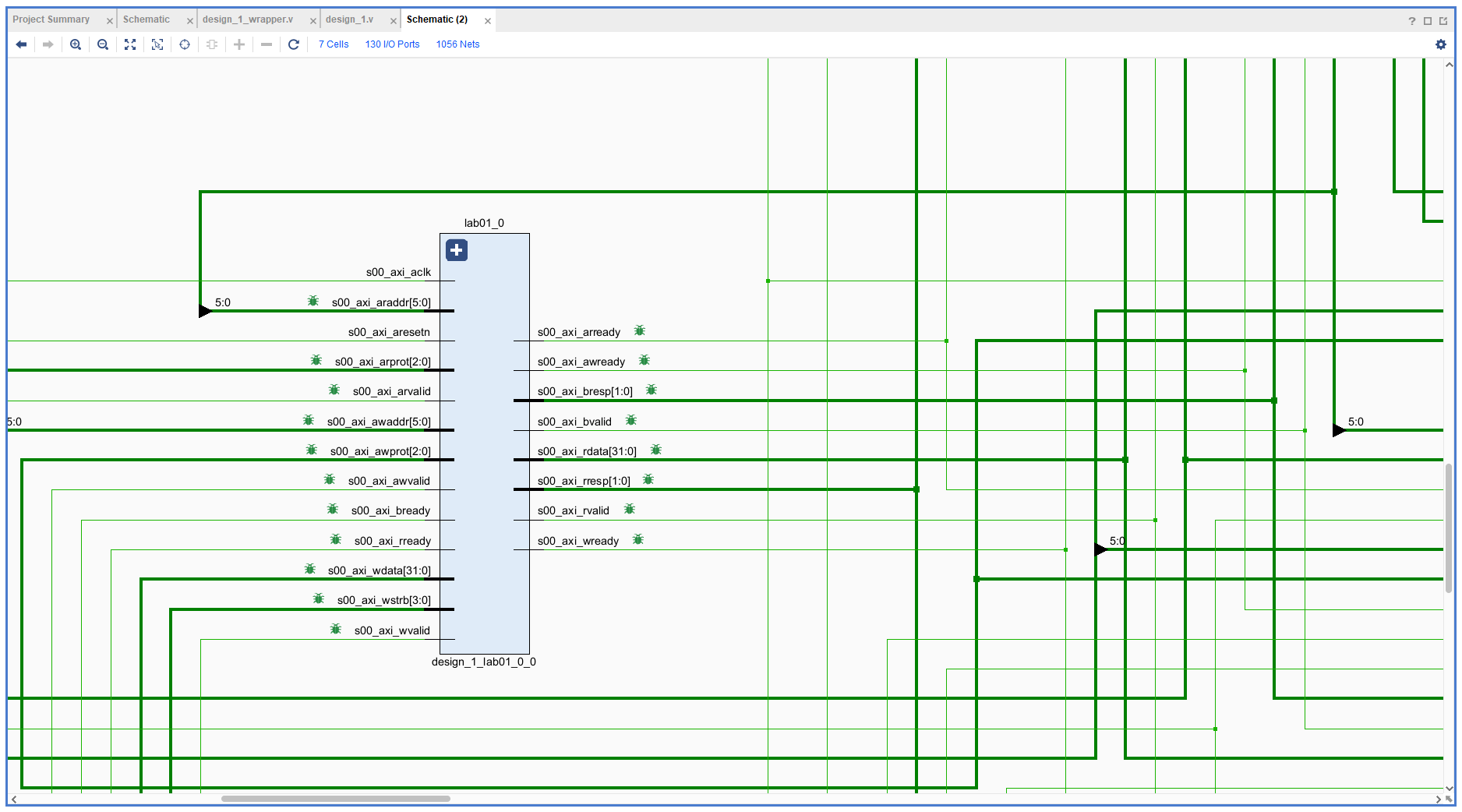
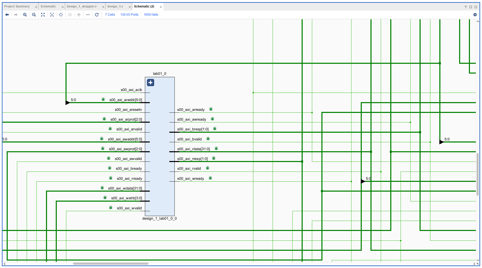
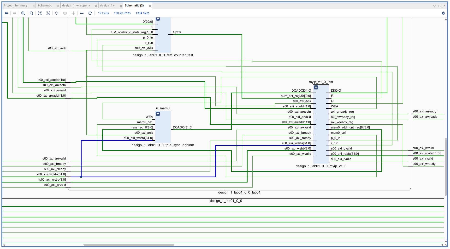
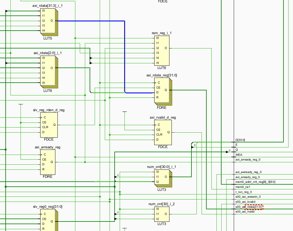
이쪽에서 관계가 약간 애매한듯하여 모식을 통해 정리해나갈 수 있도록 하자.
손으로 그리려고 했는데, 이거 손으로 할 수 있는 영역이 아니다.
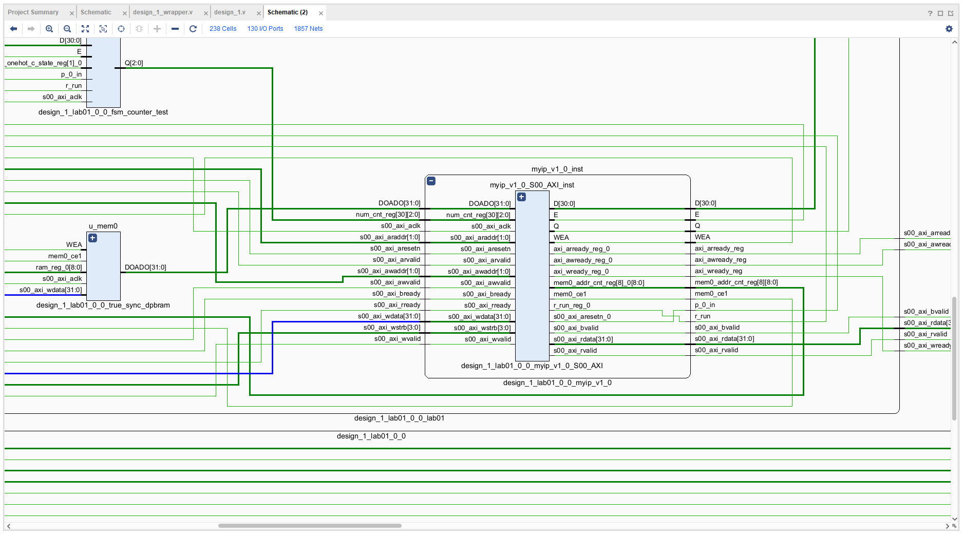
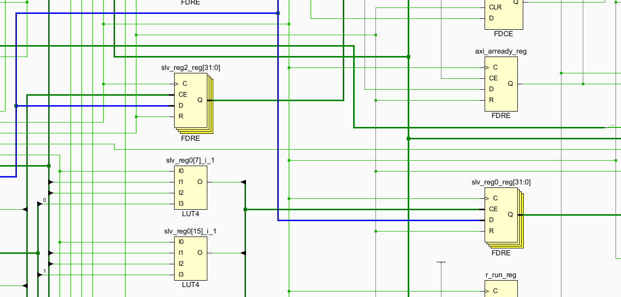
RTL Schematic을 활용해보았다.

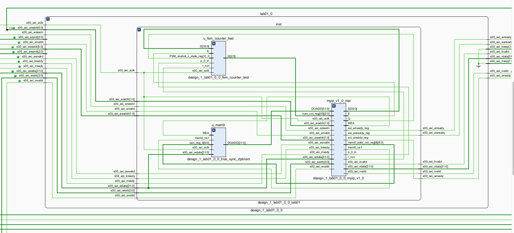
이 중에서 얘를 까고들어가자.


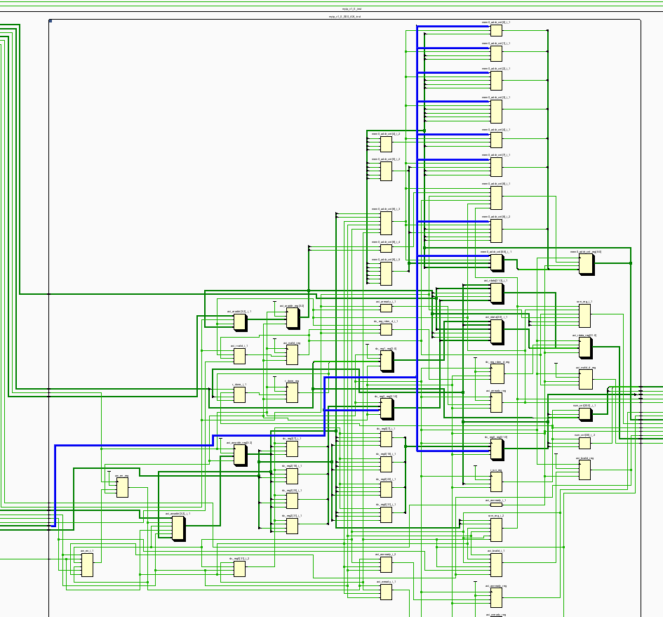
memory와 myip 모듈은 다음과 같이 axi_wdata[31:0]을 통해서 통신하는데

myip를 까면
레지스터들이 등장한다!


그래서 axi_wdata와 통신하는 레지스터들은

얘네들인데

안쓰거나 주소와 관련된 레지스터가 너무 많아서 잘 안보인다.
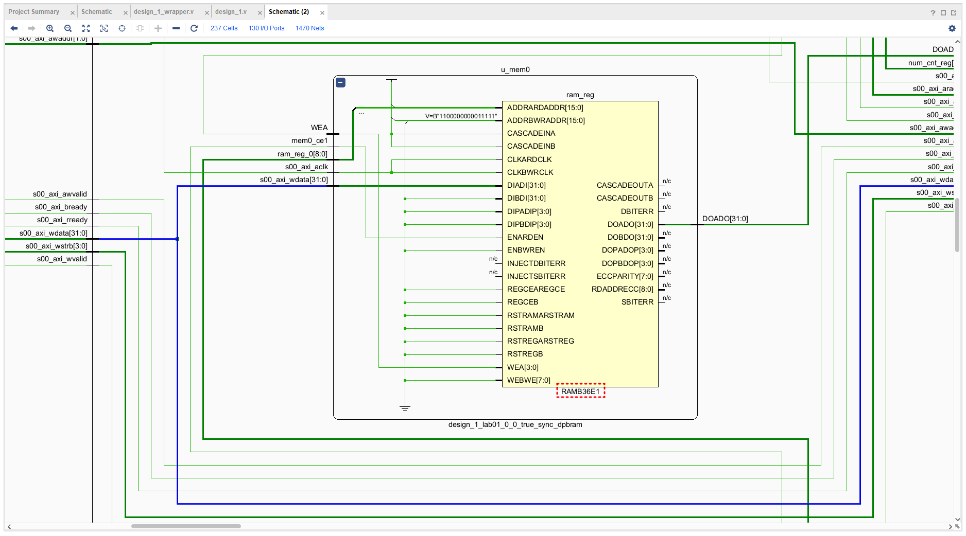
mem과 myip가 연결되는 지점 말고
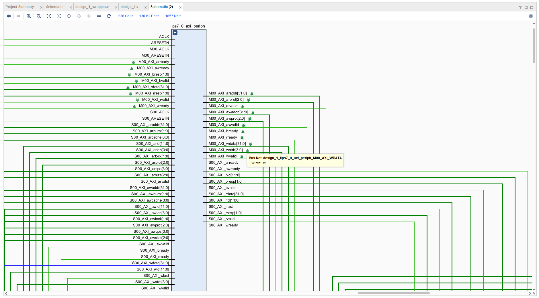
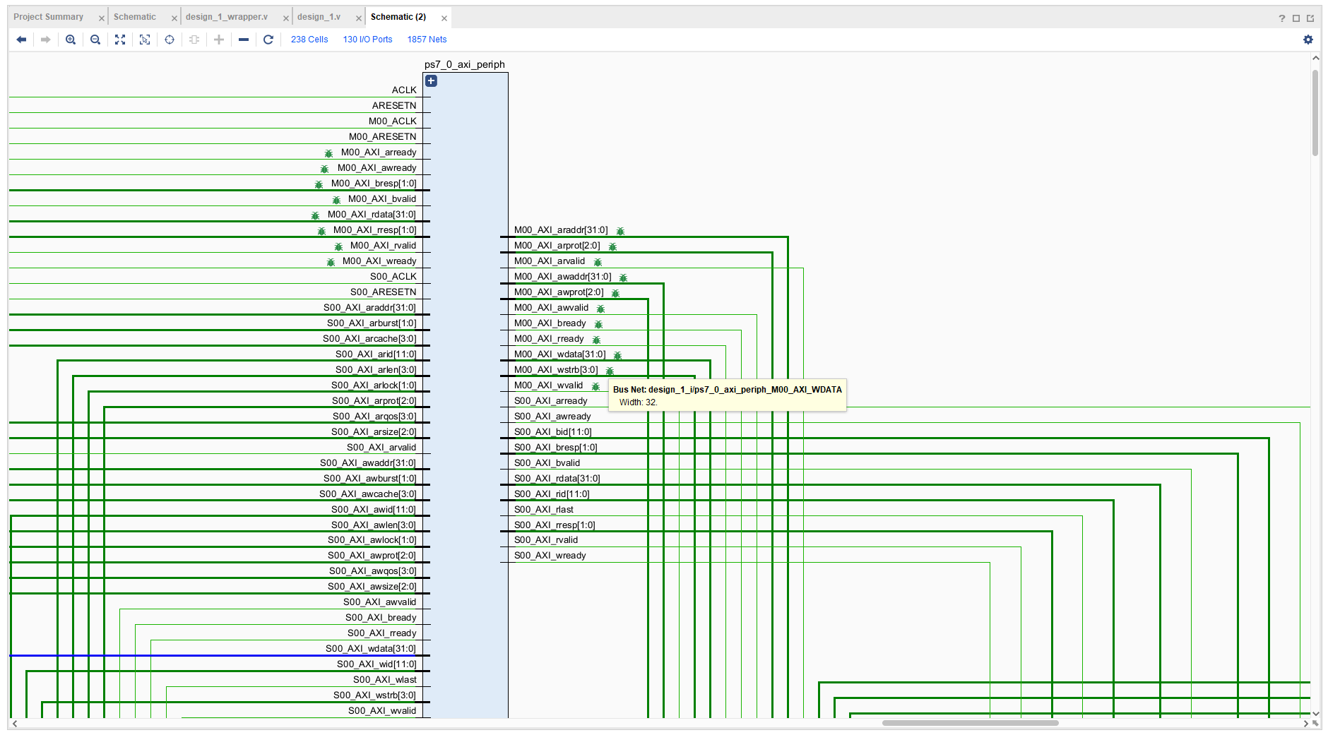
zynq와 myip가 연결되는 지점을 보자.
zynq와 myip는 직접 연결되지 않고 axi periph를 통해서 연결된다.


myip : axi_periph = S00_AXI_wdata[31:0] : M00_AXI_wdata[31:0]
이때 ila는 무시

아 하긴 그래도 bus라서 결국 같은 지점으로 도착하기는 한다.

소거법을 통해 보면 얘네 둘중 하나다.
위에있는 얘들은 다 addr 관련이다.



이 시점에서 reg0과 reg2의 판단을 위해 위의 모식을 다시한번 참고해도 ... 누군지 잘 모르겠다 흠.

코드를 볼때랑 같은 상황인데
rdata는 명시가 되어있으면서
wdata는 명시가 왜 안되어있지?
무언가 이해못한 게 있는건가?

아 이쯤되서 다시 timing diagram 한번 보고오자.
지금 0,1,2,3, ...를 만드는 것은 wdata[31:0]이다.
하 근데 그래도 상황은 똑같긴 하다.

중간에 메모
현재 내부에 쓰인 BRAM의 이름은 다음과 같다. RAMB36E1 (연관 키워드 RAMB18E1)


https://docs.xilinx.com/r/en-US/ug953-vivado-7series-libraries/RAMB36E1
RAMB36E1 - 2022.1 English
Primitive: 36K-bit Configurable Synchronous Block RAM Introduction 7 series devices contain several block RAM memories that can be configured as FIFOs, automatic error correction RAM, or general-purpose 36 Kb or 18 Kb RAM/ROM memories. These block RAM memo
docs.xilinx.com
문제가 잘 풀리지 않는다.
다시 지금 내가 데이터 레지스터를 찾는 목적을 상기해보자.
myip_v1_0_S00_AXI 모듈 내부에 있는 Memory I/F Ctrl 레지스터에 대하여 파악하기 위함인데.
(참고로 얘 또한 레지스터가 맞다.)
코드에서 그 동작이 잘 보이지 않는다.

이 생각을 하고보니
지금 여기서 얘(네)가 addr를 다루기는 하지만 Ctrl 일수도 있겠다 싶다.

내부 구조에 대한 파악은 이 정도로 하고
다시 다음 목표로 넘어가보자.
'적극적 생각 > FPGA' 카테고리의 다른 글
| FPGA BRAM에 데이터 저장 (2) 주소문제 해결하기 (3) (0) | 2022.07.24 |
|---|---|
| FPGA BRAM에 데이터 저장 (2) 주소문제 해결하기 (2) (0) | 2022.07.23 |
| ILA PG172 Document : Integrated Logic Analyzer v6.2 LogiCORE IP Product Guide Vivado Design Suite PG172 October 5, 2016 (0) | 2022.07.23 |
| FPGA BRAM에 데이터 저장. (0) | 2022.07.23 |
| ieeexplore.ieee.org (0) | 2022.07.23 |