
















tb의 위치에 대한 참고.
2^12 = 4096


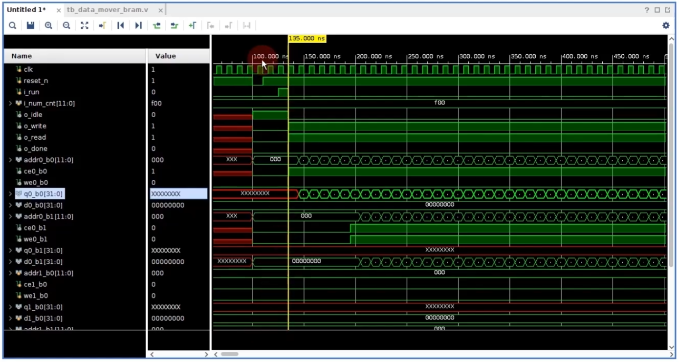
4개의 인터페이스
네이밍 addrX_bX

초기화를 시키는 두가지 방법 (단, 이것은 테스트 벤치이기 때문에 dump 시키는거지 RTL에서는 불가)

generate 구문에 대한 확인은 필요
첨부한 두 사진은 같은 HW를 만듬.



단 본 구문에서, 첫번째 데이터는 별도처리

앞부분은 타입, 벡터, 뒷부분은 배열

이 빌드 파일을 통해서 터미널에서 빌드하는 방법


3840 까지 값을 넣어둠

이 부분을 주석처리 했을때와
하지 않았을 때를
두가지 모두 시뮬레이션 해보고 비교 이해
두번째 DIRECT ACCESS 켜면, Dump 시킨다.







'적극적 생각 > FPGA' 카테고리의 다른 글
| RAM을 Schematic하게 들여다보는 도구 (0) | 2022.07.24 |
|---|---|
| RAID 2 시스템의 USB + 드라이버 + 이더넷 (0) | 2022.07.24 |
| 0724 - 섹션5 - Data Mover by BRAM (1) (0) | 2022.07.24 |
| FPGA BRAM에 데이터 저장 (2) 주소문제 해결하기 (3) (0) | 2022.07.24 |
| FPGA BRAM에 데이터 저장 (2) 주소문제 해결하기 (2) (0) | 2022.07.23 |