하드웨어 가속 부분을
내가 만들었던 CPU와 연결하는 것도 할 수 있겠다.
---
Core Diagram
(중심 타이밍 다이어그램은 프로젝트 개발 중 늘 가까이 두어야 함)








Register Map






---
코드 리뷰






---
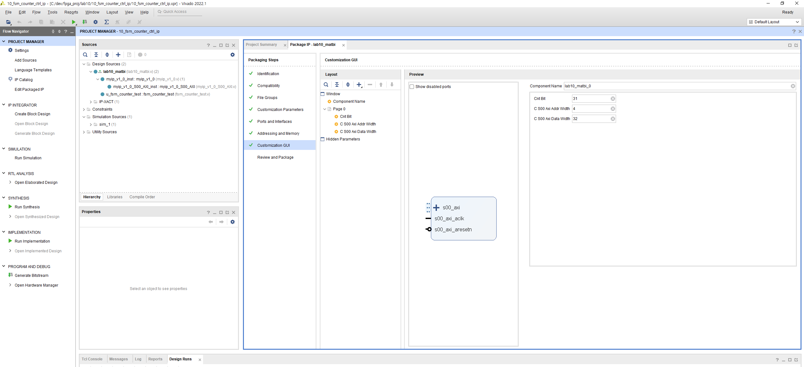
1. IP 생성
프로젝트 생성 10_fsm_counter_ctrl_ip
design source import
create new ip
package

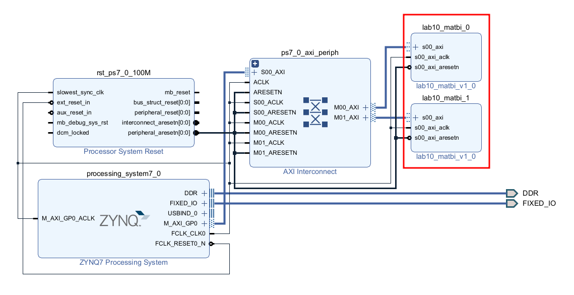
2. HW Project
프로젝트 생성 10_fsm_counter_ctrl_project
create block design
zynq 호출
... 중간과정생략
(차이를 두기 위해 ip를 하나 더 불러오겠다.
1:2 interconnect가 생성된 것을 볼 수 있다.)



(이 부분 강의와 조금 다름 주의하자 이야기 했었음)

validate
wrapper
bitstream
export hw

vitis

프로세스 타임 측정을 위한 헤더

//////////////////////////////////////////////////////////////////////////////////
// Company: Personal
// Engineer: Matbi / Austin
//
// Create Date:
// Design Name:
// Project Name:
// Target Devices:
// Tool Versions:
// Description: test fsm_ctrl. Check to HW Sleep Function
//
// Dependencies:
//
// Revision:
// Revision 0.01 - File Created
// Additional Comments:
//
//////////////////////////////////////////////////////////////////////////////////
#include <stdio.h>
#include "xparameters.h"
#include "xil_io.h"
#include "xtime_l.h" // To measure of processing time
#define WRITE 1
#define READ 2
#define AXI_DATA_BYTE 4
#define IDLE 1
#define RUN 1 << 1
#define DONE 1 << 2
#define CTRL_REG 0
#define STATUS_REG 1
int main() {
int data;
int read_data;
int reg_num;
XTime tStart, tEnd;
while (1) {
printf("======= Hello Lab10 Matbi ======\n");
printf("plz input run mode\n");
printf("1. write (CTRL) \n");
printf("2. read (REG) \n");
scanf("%d",&data);
if(data == WRITE){
Xil_Out32((XPAR_LAB10_MATBI_0_BASEADDR) + (CTRL_REG*AXI_DATA_BYTE), (u32)(0x00000000)); // Clear
printf("plz input Value 31bit. MSB is the run signal\n");
scanf("%d",&data);
printf("Test SW uSleep\n");
XTime_GetTime(&tStart);
usleep(data/100);
XTime_GetTime(&tEnd);
printf("Output took %llu clock cycles.\n", 2*(tEnd - tStart));
printf("Output took %.2f us.\n",
1.0 * (tEnd - tStart) / (COUNTS_PER_SECOND/1000000));
// check IDLE
do{
read_data = Xil_In32((XPAR_LAB10_MATBI_0_BASEADDR) + (STATUS_REG*AXI_DATA_BYTE));
} while( (read_data & IDLE) != IDLE);
// start core
printf("LAB10_MATBI_0 Start\n");
Xil_Out32((XPAR_LAB10_MATBI_0_BASEADDR) + (CTRL_REG*AXI_DATA_BYTE), (u32)(data | 0x80000000)); // MSB run
XTime_GetTime(&tStart);
// wait done
do{
read_data = Xil_In32((XPAR_LAB10_MATBI_0_BASEADDR) + (STATUS_REG*AXI_DATA_BYTE));
} while( (read_data & DONE) != DONE );
XTime_GetTime(&tEnd);
printf("LAB10_MATBI_0 Done\n");
printf("Output took %llu clock cycles.\n", 2*(tEnd - tStart));
printf("Output took %.2f us.\n",
1.0 * (tEnd - tStart) / (COUNTS_PER_SECOND/1000000));
Xil_Out32((XPAR_LAB10_MATBI_1_BASEADDR) + (CTRL_REG*AXI_DATA_BYTE), (u32)(0x00000000)); // Clear
// check IDLE
do{
read_data = Xil_In32((XPAR_LAB10_MATBI_1_BASEADDR) + (STATUS_REG*AXI_DATA_BYTE));
} while( (read_data & IDLE) != IDLE);
// start core
printf("LAB10_MATBI_1 Start\n");
Xil_Out32((XPAR_LAB10_MATBI_1_BASEADDR) + (CTRL_REG*AXI_DATA_BYTE), (u32)(data | 0x80000000)); // MSB run
XTime_GetTime(&tStart);
// wait done
do{
read_data = Xil_In32((XPAR_LAB10_MATBI_1_BASEADDR) + (STATUS_REG*AXI_DATA_BYTE));
} while( (read_data & DONE) != DONE );
XTime_GetTime(&tEnd);
printf("LAB10_MATBI_1 Done\n");
printf("Output took %llu clock cycles.\n", 2*(tEnd - tStart));
printf("Output took %.2f us.\n",
1.0 * (tEnd - tStart) / (COUNTS_PER_SECOND/1000000));
} else if (data == READ){
printf("plz input READ reg number (0~3)\n");
scanf("%d",®_num);
read_data = Xil_In32((XPAR_LAB10_MATBI_0_BASEADDR) + (reg_num*AXI_DATA_BYTE));
printf("LAB10_MATBI_0 REG read done reg_number (%d), value : %d\n", reg_num, read_data & 0x7FFFFFFF); // no check run val
read_data = Xil_In32((XPAR_LAB10_MATBI_1_BASEADDR) + (reg_num*AXI_DATA_BYTE));
printf("LAB10_MATBI_1 REG read done reg_number (%d), value : %d\n", reg_num, read_data & 0x7FFFFFFF);
} else {
// no operation, exit
//break;
}
}
return 0;
}

시간관련함수, 주파수, 단위, 시간범위 측정

그리고 우리가 2개의 module을 만들었음을 인지.
RUN완료

---
중간에 잡썰로 나온 AREA 최소화/최적화

---
RUN을 하게 되었을때

100MHz에서 1초를 만들려면 10+000,000

(ready로 인한 delay 반영 등)
(그나저나 여기서 병렬처리가 되어있는 것인지 확인할 필요)

---
HW Sleep 만드는 것이 목적이 아니라
HW 가속화가 핵심임을 다시한번 상기.
'적극적 생각 > FPGA' 카테고리의 다른 글
| (중요) 0721 - 섹션4 - AXI4Lite 이용해 BRAM에 RW (0) | 2022.07.21 |
|---|---|
| 모식도 작성툴, gliffy, drawio (0) | 2022.07.17 |
| 이더넷 (0) | 2022.07.17 |
| 0717 - 섹션3 - AXI4Lite를 활용한 LED제어 (0) | 2022.07.17 |
| 0717 - 섹션3 - AXI4Lite (0) | 2022.07.17 |